오늘은 RS422 통신에 필요한 IC AM26C31QD에 대해 알아보고자 한다.
RS422 통신에 대한 설명은 기존 포스팅 내용을 참고해주시길 바란다.
오늘도 역시 데이터 시트를 열어 함께 살펴보자.
데이터 시트 첫 장에 떡하니 AM26C31 Quadruple Differential Line Driver라고 적혀있다.
한마디로 4채널 차동 드라이버라는 뜻이다.
자세한 내용은 아래에서 다루겠다.
우선 동작 전원은 0~7V까지 사용 가능하다. VCC전원에 따라 Input Voltage가 VCC+0.5V로 달라진다.
또한 차동 입력이기 때문에 HIGH로 인식하는 전압과 LOW로 인식하는 동작 전압의 기준이 있다.
HIGH로 인식하는 전압은 최소 2V이상이 되어야 HIGH로 SIGNAL의 전압을 인식하고, LOW로 인식하는 전압은 최대 0.8V까지만 LOW로 SIGNAL의 전압을 인식한다.
위의 동작 조건에 내용을 알아야 추후 IC를 회로에 적용하여 설계하였을 경우 SIGNAL이 제대로 출력되는지를 알 수 있다.
예를 들어 단순히 차동처럼 신호는 나오는데 동작이 안 되는 경우 HIGH와 LOW로 인식하는 전압값을 알지 못하면 올바른 판단을 하지 못한다는 뜻이다.
항상 모든 IC는 동작 조건을 파악하는 것이 기본이다.

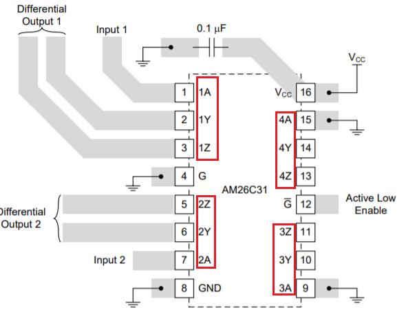
회로 구성은 크게 신경 쓸 것은 없어 보인다. 그림과 같이 4 채널에 대한 것과 인에이블 내용만 잘 확인하여 회로 구성하면 된다.
PIN의 설명은 크게 A, Y, Z, G, /G에 대해 설명하겠다.
A : DRIVER input 핀으로 signal 입력으로 사용한다.
Y & Z : DRIVER Differential output 핀으로 입력에 대한 signal이 차동으로 +- 출력되는 핀이다.
G : Active HIGH ENABLE이다.
/G : Active LOW ENABLE이다

위의 그림처럼 Driver input 핀으로 해당 signal이 들어가면 아래와 같이 출력이 차동으로 나온다.


Fuction Table을 살펴보면
| INPUT A | ENABLE | OUTPUT | ||
| G | /G | Y | Z | |
| HIGH | H | X | H | L |
| LOW | H | X | L | H |
| HIGH | X | L | H | L |
| LOW | X | L | L | H |
| X | L | H | Z | Z |
표와 같이 예를 들어 INPUT A의 signal이 high 가 들어오고 enable은 G PIN에 HIGH를 주면 출력은 HIGH, LOW의 차동으로 나오며 LOW는 반대로 나온다.

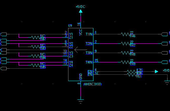
위의 그림을 보면 모든 입력과 출력 그리고 ENABLE PIN에 저항이 달려있다.
그 이유는 무엇일까??
바로 실제로 설계하여 PCB를 검증할 때 동작 여부를 확인하려면 저렇게 입력과 출력 그리고 ENABLE PIN에 달린 저항들을 오실로스코프로 찍어보는 게 편하기 때문이다.
물론 바로 IC의 LEAD 다리에 스코프를 갖다 대어 확인할 수 도 있겠지만 LEAD의 PIN PITCH가 가까운 IC의 경우에는 SHORT가 날 수 도 있기 때문에 해당 습관을 갖는 것을 추천한다.
저항을 달아서 손해 볼 것이 없기 때문이다.
이렇게 오늘은 RS422의 DRIVER IC인 AM26C31QD에 대해 알아보았다.
다음 포스팅은 RS422의 RECEIVER IC인 AM26LV32EID에 대해 알아보도록 하겠다.
| [회로설계 - 기초] EEPROM 이란? (EEPROM 쉽게 이해하기) (0) | 2020.09.06 |
|---|---|
| [회로설계에 필요한 기초 IC 분석] 8. RS422 IC (AM26LV32EID) RECEIVER (2) | 2020.08.30 |
| [회로설계 - 기초] 회로에서 스위치의 역할 (1) | 2020.08.20 |
| [회로설계 - 기초] OPAMP 비반전 증폭기 회로에 쉽게 적용하여 알아보기 (0) | 2020.07.04 |
| [회로설계 - 기초이론] OPAMP 반전 증폭기 회로에 쉽게 적용하기 (0) | 2020.07.04 |