오늘은 직렬 통신 방식 중 하나인 RS232 통신에 필요한 IC MAX232를 알아보려고 한다.
RS232가 무엇인지 모르고 있다면 기존 포스팅하였던 RS232 쉽게 이해하기 내용을 확인 후 IC 분석을 하길 바란다.
우선 데이터 시트를 열고 살펴보자.
데이터 시트를 확인해보면 동작 전원은 5V 가 필요하다. 그리고 다음 내용을 보면 CMOS/TTL 신호의 Input 즉 T1,2 IN의 전압 레벨 조건이 있다.
VIH 즉 신호를 HIGH로 인식하려면 최소 2V 이상 입력되어야 하고, VIL 즉 LOW로 인식하려면 0.8 V 이하여야 한다.
Receiver Input은 RS232의 신호를 받을 때의 조건이므로 RS232 전압 레벨을 반영하여 최대 +- 30V까지 신호를 받을 수 있다.
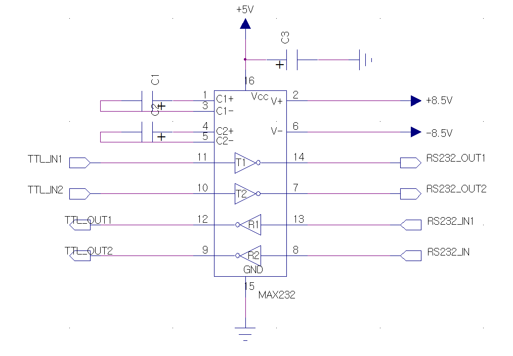
회로 구성을 살펴보면 전원 라인에 바이패스 커패시터 1uF이 필요하다.
* 바이패스 커패시터란?
: 한 개 또는 여러 부품에 교류 성분(AC)을 위해 회로상에 배치된 커패시터이다.
보통 AC성분을 제거하고 DC성분을 통과시키기 위한 역할로 많이 사용된다.
실질적인 역할은 전원단에 위치하여 순간적인 Voltage Spike에서 발생할 수 있는 전하들을 흡수하여 방전하는 역할을 한다.
노이즈를 최소화하는데 그 역할이 있다.
11번 핀과 10번 핀의 구성은 TTL or CMOS 레벨의 신호가 들어와 RS232 레벨인 14번 7번 핀으로 출력되고, 13번 핀과 8번 핀은 RS232 레벨의 신호가 들어와 TTL or CMOS 레벨의 신호로 출력되는 의미이다.
핀의 내용은 위의 내용에서 대부분 설명한 것 같아 데이터 시트의 내용만 첨부하고 넘어가도록 하겠다.
위의 타이밍도는 드라이버 즉, T1IN -> T1 OUT , T2IN -> T2 OUT에 대한 동작 타이밍도를 나타낸다.
실제 테스트 시 입력과 출력 쪽을 오실로스코프를 이용하여 찍어보면 저런 식으로 인풋 아웃풋의 펄스 파형이 출력되어야 한다.
데이터 시트의 타이밍도는 리시버 즉, R1IN -> R1 OUT, R2IN -> R2 OUT에 대한 동작 타이밍 도이다.
위 설명과 마찬가지로 펄스 파형이 해당 타이밍도와 같이 출력되어야 한다.
데이터 시트의 내용을 살펴보면 MAX 232의 전원이 들어가지 않을 때, 즉 OFF일 때 PIN의 상태를 파악할 수 있다.
TIN과 TOUT, RIN과 ROUT은 한쪽이 LOW 이면 다른 한쪽은 HIGH 인 상태로 나타낸다고 설명되어 있다.

회로설계 시 데이터 시트의 애플리케이션과 동일하게 구성해주면 된다. 전원과 Signal핀들을 잘 이어주어야 하며 전원이 몇 Volte가 인가되어야 하는지도 항상 주의 깊게 보고 인가해주어야 한다.
특히 회로설계 시 주의해야 할 점은 TTL의 입력 핀이 반대의 출력 핀과 잘 연결되어있는지 방향성의 주의도 잘해야 한다.
오늘은 RS232 통신 IC에 대해 분석하였다.
분석하면서 느꼈겠지만 UART와 통신을 위해 신호를 변환해주는 것을 볼 수 있다. UART TO RS232 라 생각해도 된다.
결국 통신은 신호를 변환해주어 통신이 깨지지 않게 주고받을 수 있으며 다른 장치와의 통신을 위해 여러 방식의 통신 방식을 알고 관련 IC로 변환해주어야 한다.
그러므로 개발자는 항상 통신방식에 대응하여 회로를 설계할 줄 알아야 하고, 내용을 알고 설계하여야 한다.
| [회로설계 - 기초이론] OPAMP 반전 증폭기 회로에 쉽게 적용하기 (0) | 2020.07.04 |
|---|---|
| [회로설계 - 기초이론] LVDS 통신 쉽게 이해하기 (0) | 2020.07.04 |
| [회로설계 - 기초이론] RS485 통신 쉽게 이해하기 (0) | 2020.07.04 |
| [회로설계 - 기초이론] RS422 통신 쉽게 이해하기 (0) | 2020.07.04 |
| [회로설계 - 기초이론] RS232 통신 쉽게 이해하기 (Feat. 시리얼통신) (0) | 2020.06.28 |