LDO Regulator 란?
이 전에 포스팅을 하였는데, 다시 설명해보면
입력 전압에 비해 출력 전압의 전압강하가 적을 때 사용하는 레귤레이터
일반 레귤레이터는 입력이 출력보다 2~3V 높아야 제대로 동작하지만,
LDO는 Common Emitter 방식으로 Emitter, Collector 간 포화 전압 약 0.2~0.3V 만 높으면 되므로 입력이 일반 레귤레이터보다 낮아도 사용 가능.
오늘 분석할 IC는 LDO 레귤레이터인 TPS62130A이다.
레귤레이터의 종류도 많고 조건들이 다양해서 여러 레귤레이터를 알아두면 좋다.
여러분도 나의 포스팅을 보고 IC를 분석할때에는 데이터시트를 더 편하게 볼줄알길 바란다.
1. 레귤레이터 동작 조건 파악
입력 전압은 3 ~ 17V까지 사용할 수 있다. 다른 레귤레이터에 비해 입력 전압의 범위가 꽤 넓다.
VH, VL은 제어 시 HIGH와 LOW로 인식하는 전압 레벨을 나타낸다. 참고해두면 좋다.
출력 전압은 TPS62130A가 FIXED 레귤레이터가 아닌 ADJUSTABLE 레귤레이터 이므로 0.9 ~ 6V까지 전압을 조절할 수 있다.
전압 조절 방법은 기존의 레귤레이터 분석 시 했던 방법과 같은 저항을 이용한 분배 전압을 통해 전압을 조절한다.
2. 회로 구성

회로 구성은 FB 핀과 SW 핀을 이용해 출력 전압을 확인할 수 있다.
R1과 R2의 저항 비를 알맞게 적용하여 원하는 출력 전압을 계산하여 저항값을 정해주면 된다.
인덕터의 값이나 커패시터의 값을 정해주는 계산법은 데이터 시트 아래쪽을 확인하면 알 수 있다.
직접 계산해보며 알맞은 값 인지도 알아두면 좋다.
여기서 입력 단과 출력단에 커패시터가 달려있는 것을 알 수 있다.
보통 입력이나 출력단의 커패시터는 용량이 해당 전압에 약 2배 이상을 용량으로 갖는 커패시터로 하는 게 좋다.
그래야 혹시라도 높은 전압이 감지가 되어도 IC에는 최소한의 대미지만 줄 수 있기 때문이다.
아래 다시 정리해보면,
레귤레이터에 커패시터를 다는 이유?
* 레귤레이터는 부하에 따라 발진할 가능성이 많다. 실제로 출력 쪽에 커패시터를 달지 않는 경우 수백KHZ의 발진을 하게 된다. 발진 방지용으로 다는 이유가 있다.
* 순간적인 전류 변동에 레귤레이터가 대응하지 못할 경우 예를 들어 0.1A => 2A로 급변하면 5V에서 약간 떨어졌다가 다시 복귀될 수 있다는 말이다.
이러한 경우 커패시터가 레귤레이터 대신 순간적인 출력을 내주며 어느 정도 보상을 해주고 회로를 안정적으로 유지해준다.
3. PIN 설명
PG : POWER GOOD핀으로 출력 전압이 잘 나올 준비가 되었는지를 알려주는 핀이다. HIGH(1) 이면 준비가 된 것이고, LOW(0) 이면 반대이다. 오픈 드레인이므로 풀업 저항을 달아줘야 한다.
FB : 출력 전압을 조절할 수 있게끔 해주는 피드백 전압이라고 생각하면 된다.
FSW : 스위칭 주파수를 선택할 수 있는 핀인데 LOW이면 2.5 MHZ, HIGH이면 1.25 MHZ의 주기로 스위칭한다.
DEF : 출력 전압의 스케일을 조정하는 핀인데 HIGH 인 경우 출력 전압의 5%를 증가시킬 수 있다.
추가적인 핀 내용은 데이터 시트를 참고하여 의미를 파악하길 바란다.
4. 동작 파악
출력 전압을 정하고 저항값을 구하는 공식은 그림과 같이 데이터 시트에 너무나도 잘 나와있다.
또한 R2의 값은 400K 을 초과하면 안 된다고도 친절하게 설명되어 있다.
일반적인 DCDC 컨버터용으로 많이 사용되는 칩이다. 입력 전압이 17V까지 입력 범위가 가능하기 때문에 예를 들어 15V의 DC 전압을 좀 더 낮은 전압으로 사용할 시 해당 칩을 이용해 사용한다.
찾아보면 알겠지만 입력 범위가 다양한 레귤레이터는 찾기 쉽지 않다.
항상 크기도 고려해야 하고 전압 범위도 고려해야 하기 때문이다. 단순히 전압을 변환하는 것인데 PCB의 상당한 크기를 차지하게 되면 비효율적이 될 수 있다. 물론 공간이 넉넉하다면 상관없지만 그렇게 넉넉한 경우는 흔치 않다.
레귤레이터는 민감하지 않고 크기가 작을수록 좋은 레귤레이터라 할 수 있겠다.
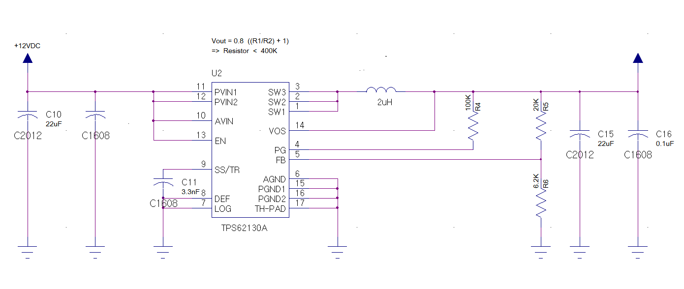
5. 회로설계 예시

입력 전압은 12V로 주었고, 출력 전압은 3.3V가 출력되게 설계하였다. 여러분도 직접 계산을 해보며 입력 전압과 출력 전압을 확인해보는 게 많이 도움이 될 것이다.
6. 정리
레귤레이터 관련 포스팅은 2번째이다. 여러분도 느꼈다시피 레귤레이터는 크게 어려운 게 없다는 걸 이제 느꼈을 것이다.
레귤레이터에서 중요한 것은 입력 전압의 범위, 출력 전압의 범위, 고정값 출력인지 조절 가능한 출력인지 이 정도만 알아도 부품 선정에는 어려움이 없을 것이다.
부가적인 내용은 더욱더 파헤치고 찾아보길 바란다.
LDO 레귤레이터 TPS62130 A 포스팅을 마치겠다.
| [회로설계 - 기초이론] 전기회로와 전자회로의 차이는 무엇일까? (0) | 2020.06.28 |
|---|---|
| [회로설계 - 기초이론] ADC(Analog to Digital Converter) 개념 쉽게 파악하기 (0) | 2020.06.28 |
| [회로설계에 필요한 기초 IC 분석] 3. Transceiver(74ALVC164245) (0) | 2020.06.28 |
| [회로설계에 필요한 기초 IC 분석] 2. Regulator(MIC69303YME) (2) | 2020.06.28 |
| [회로설계에 필요한 기초 IC 분석] 1. RESET IC(ADM6711SAKS) (0) | 2020.06.28 |