오늘 분석할 IC는 Driver와 Receiver의 두 역할을 다하는 Transceiver인 74 ALVC164245이다.
Transceiver는 보통 입력 전압의 signal을 다른 레벨의 출력 전압으로 변환하여 같은 역할의 signal을 출력해주는
역할을 한다.
Datasheet를 보는 것은 필수!
1. 트렌시버 동작 조건 파악

데이터 시트 내용을 보면 전압 Range가 VCC(A) port는 3V port로서 1.5 ~ 3.6V까지의 전압을 사용할 수 있다.
VCC(B) port는 5V port로서 1.5 ~ 5.5V까지의 전압을 사용할 수 있다.
왜 이렇게 전압 레벨로 포트를 나누었는지는 아래 동작 제어 내용에서 확인하도록 하겠다.
입력 전압의 범위는 2.7 ~ 5.5V이며 하이임피던스 상태일 때의 출력은 0V임을 확인할 수 있다.
2. 회로 구성


데이터 시트의 Diagram을 살펴보면
A포트의 입력이 B포트의 출력으로 그리고 그 옆 diagram은 B포트의 입력이 A포트의 출력으로 되어있다.
즉, 여기서 파악할 수 있는 것은 A 포트와 B포트 둘 다 입력과 출력 포트로 바꿔가며 사용할 수 있다는 것이다.
그 역할을 정해줄 수 있는 핀이 DIR 핀과 OE핀의 역할이다.
혹시나 Diagram에 세모 그림이 무엇인지 모르는 분들은 버퍼라고 생각하면 된다.
*BUFFER란?
: 어떤 장치에서 다른 장치로 신호를 송신할 때 일어나는 시간의 차이나 데이터 흐름의 속도 차이를 조정하기 위해 일시적으로 데이터를 기억시키는 장치이다.
3. PIN 설명

DIR Pin : 입력의 방향을 제어해주는 핀.
1B(0~7) : 데이터의 입력/출력 핀.
2B(0~7) : 데이터의 입력/출력 핀.
VCC(B) : B 핀의 공급 전압 (5V)
OE : 출력 Enable 핀
1A(0~7) : 데이터의 입력/출력 핀.
2A(0~7) : 데이터의 입력/출력 핀.
VCC(A) : A 핀의 공급 전압 (3V)
핀의 설명은 어떤 부품의 데이터 시트를 보든 꼭 확인해야 한다. 그 핀의 역할과 내용에 대해 나와있는 것이기 때문에 핀 설명만 파악해도 제어하는데 50%는 확인했다고 할 수 있다.
4. 동작 파악 (제어 방법)

OE핀에 LOW(0)을 입력해주고, DIR 핀에 LOW(0)을 입력해주면 입력 핀은 nBn(n : 0~7), 출력 핀은 nAn(n : 0~7)이 된다.
즉, OE : DIR = 0 : 0 이면 B의 입력 Signal이 A핀으로 Signal이 출력된다.
OE핀에 LOW(0)을 입력해주고, DIR 핀에 HIGH(1)을 입력해주면 입력 핀은 nAn, 출력 핀은 nBn이 된다.
즉, OE : DIR = 0 : 0 이면 A의 입력 Signal이 B핀으로 Signal이 출력된다.
OE핀에 HIGH(1)을 입력해주고, DIR 핀에 Don't care(0 or 1) 이면 A와 B 모두 하이임피던스 상태가 된다.
즉, OE핀이 LOW이어야 트랜시버가 동작하고, HIGH이면 동작되지 않는다.
여기서 굳이 A와 B의 입출력이 다른 이유는 위의 핀 설명에서 보았듯이 A의 전압 레벨은 3V, B의 전압 레벨은 5V이 기 때문에 Signal의 전압 레벨을 바꿔주기 위함임을 잊지 말자.
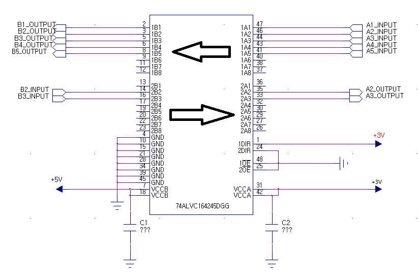
5. 회로설계 예시

회로설계 예시로 사용한 트랜시버는 1 DIR에 HIGH, 2 DIR에 LOW를 주어 1A와 1B의 포트, 2A와 2B의 포트에 입출력 방향을 반대로 설정하였다.
VCC(B)가 5V레벨이므로 1B와 2B는 5V의 신호로 입출력이 되고, VCC(A)가 3V이므로 1A와 1B는 3V의 신호로 입출력이 된다는 점 알고 사용해야 한다.
부가적으로 Driver와 Receiver가 같이 들어있는 게 Transceiver라는 것도 함께 알고 있다면 좀 더 이해가 잘될 것이다.
드라이버는 신호를 주는 장치이고 리시버는 신호를 받는 장치라는 정도만 알고 오늘의 포스팅은 마치도록 하겠다.
6. 정리
74 ALVC164245를 제어하기 위해서는 DIR 핀과 OE 핀을 이용해 A와 B포트의 방향을 결정해준다.
입출력에 방향을 결정하고 A핀은 3V레벨 B핀은 5V레벨의 신호들이 입출력된다.
오늘 알아본 74 ALVC164245 IC는 다른 모듈에서 오는 5V의 신호를 제어 모듈에서 코어 칩이나 제어하는 칩에서 사용하는 전압이 3V 정도인 것이 있어 그런 경우에 5V의 신호를 3V의 신호를 낮춰서 받거나 3V의 신호를 5V의 신호로 높여서 다른 모듈로 전해주는 역할을 한다는 것도 알고 있으면 좋을 것 같다.
오늘도 긴 글 읽어주셔서 감사합니다.
| [회로설계 - 기초이론] ADC(Analog to Digital Converter) 개념 쉽게 파악하기 (0) | 2020.06.28 |
|---|---|
| [회로설계에 필요한 기초 IC 분석] 4. LDO Regulator(TPS62130A) (3) | 2020.06.28 |
| [회로설계에 필요한 기초 IC 분석] 2. Regulator(MIC69303YME) (2) | 2020.06.28 |
| [회로설계에 필요한 기초 IC 분석] 1. RESET IC(ADM6711SAKS) (0) | 2020.06.28 |
| [회로설계 - 기초이론] 전원 레귤레이터 종류 와 개념 (쉽게 파악하기) (0) | 2020.06.28 |