* OSC(오실레이터)와 Crystal(크리스털)의 공통된 점은 두 가지 모두 특정 주파수의 발생을 필요로 할 때 사용한다는 점.
1. OSC의 종류
* 크리스털, 오실레이터 두 가지 전부 오실레이터 안에 포함된 것이다.
즉, OSC(오실레이터) 안에서 2가지의 경우로 분류할 수 있다.
특정 주파수를 만들어주는 1) Crystal Unit과 출력을 IC를 통해 버퍼링 해주는 2) Crystal OSC 가 있다.
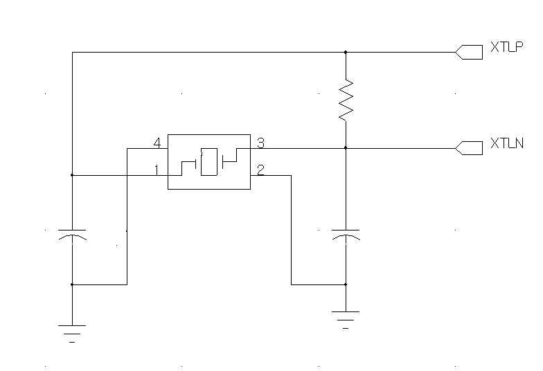
1) Crystal Unit : XTAL_IN, XTAL_OUT 2개의 핀을 연결하여 사용
2) Crystal OSC : 전원, GND, OUTPUT, N.C 4개의 핀을 연결하여 사용
2. Crystal OSC (오실레이터)

능동 발진 소자이다. (능동소자란? 전류, 전압이 인가되어야 동작이 결정되는 소자)
오실레이터 자체만으로도 발진 회로가 내장되어 있어 주변회로가 필요 없다.
즉, 전원 공급만 되면 발진 신호(주파수 신호)가 출력된다.
반드시 전원, GND, OUTPUT, N.C 4개의 핀이 필요
가격이 비싸지만, 신뢰성을 원하는 경우 사용
수십 MHZ 이상의 주파 수원을 필요로 하는 경우 사용
3. Crystal Unit (크리스털)

수동 발진 소자이다.
(수동소자란? 소자의 특성이 전류, 전압이 인가되지 않은 상황에 맞게 결정되어 있는 소자 / 능동적 기능 불가)
발진 회로 필요 (주변회로가 필요하다는 의미)
발진 회로가 내장된 IC를 사용할 경우 크리스털을 사용합니다. (ex: MCU는 내부에 발진 회로 내장)
오실레이터에 비해 가격이 저렴하여 대량생산의 경우 많이 사용한다.
크리스털에 경우 두께 진동에 의해 주파수가 발생한다.
두께가 얇아짐에 따라 주파수가 증가한다.
XTAL_IN, XTAL_OUT 2개의 핀을 이용하여 사용한다.
이번 글에서는 오실레이터와 크리스털에 대한 개념과 차이점을 알아보았습니다.
궁금한 점, 보완해야 할 점 댓글이나 쪽지로 남겨주시면 반영하겠습니다.
긴 글 읽어주셔서 감사합니다.
| [회로설계에 필요한 기초 IC 분석] 3. Transceiver(74ALVC164245) (0) | 2020.06.28 |
|---|---|
| [회로설계에 필요한 기초 IC 분석] 2. Regulator(MIC69303YME) (2) | 2020.06.28 |
| [회로설계에 필요한 기초 IC 분석] 1. RESET IC(ADM6711SAKS) (0) | 2020.06.28 |
| [회로설계 - 기초이론] 전원 레귤레이터 종류 와 개념 (쉽게 파악하기) (0) | 2020.06.28 |
| [회로설계 - 기초이론] PULL-UP(풀업) 저항 & PULL-DOWN(풀다운)저항 (Feat. 플로팅) (2) | 2020.06.18 |